GB50054《低压配电设计规范》:低压配电系统有三种接地形式,即IT系统、TT系统、TN系统。
第1字母表示电源端与地的关系
T:电源变压器中性点直接接地。
I:电源变压器中性点不接地,或通过高阻抗接地。
第二个字母表示电气装置的外露可导电部分与地的关系
T:电气装置的外露可导电部分直接接地,此接地点在电气上独立于电源端的接地点。
N:电气装置的外露可导电部分与电源端接地点有直接电气连接。
后续字母描述中性线与保护线的关系:
S :中性线和保护线分开
C :那边中性线和保护线合并(一条导线)
不同的接地方式,浪涌保护器如何选型?
根据GB50057附录J表J.1.2所示:

其中接线形式1表示SPD安装在RCD的负荷侧,接线形式2代表SPD安装在RCD的电源侧。

如图所示:TT系统SPD浪涌保护器安装在RCD的负荷侧时,使用4P接线模式,实现了L线与PE线、N线与PE线之间的共模保护。

如图所示:TT系统SPD安装在RCD的电源侧时,相线和PE线中不能直接连接,接线模式为3P+N模式,4个浪涌保护器中有一个充当了N和PE线之间的共模保护,而另外三个连接在L和N线之间实现的是差模保护。

如图所示:TN-C系统N线和PE线合并为一条线,称为PEN线,此时电路系统中实际上为相线和PEN线单独连接,为3P接线模式。
TN-S系统SPD安装在RCD的负荷侧时,使用4P接线模式,SPD浪涌保护器安装在RCD的电源侧时,相线和PE线中不能直接连接,连线模式为3P+N模式。

如图所示:TN-C-S系统前部分为TN-C方式供电,后部分从PEN线中分出N线和PE线。在N与PE线的连接处SPD用3P,在N与PE线分开10m以后安装SPD时用4P,即在N与PE线间增加一个。

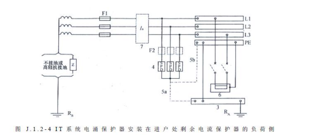
不引出中线的IT系统,实际上只使用了3P的接线模式;引出中线的IT系统SPD安装在RCD的负荷侧时,使用4P接线模式;SPD安装在RCD的电源侧时,相线和PE线中不能直接连接,接线模式为3P+N。
科比特防雷生产的浪涌保护器适用于各种接地系统的要求,有300多种规格型号,无损全检技术,灌胶工艺,使得科比特的浪涌保护器一致性好,新型一体化度集成设计,使得科比特产品拥有大通流量,同时低UP的优点,目前主要用于轨道交通,风力发电,石油化工等行业电力系统,欢迎合作伙伴咨询!


标签: